今天是:2026-03-11 欢迎来到四川亚塑新材料有限公司官方网站!
联系我们 在线留言
专业生产、销售“亚泰牌”、“YATA”、“YTSY”系列等管材
18030485686
网站首页
关于我们
排水管系列
塑料检查井
给水及电力管系列
工程案例
企业资讯动态
联系我们
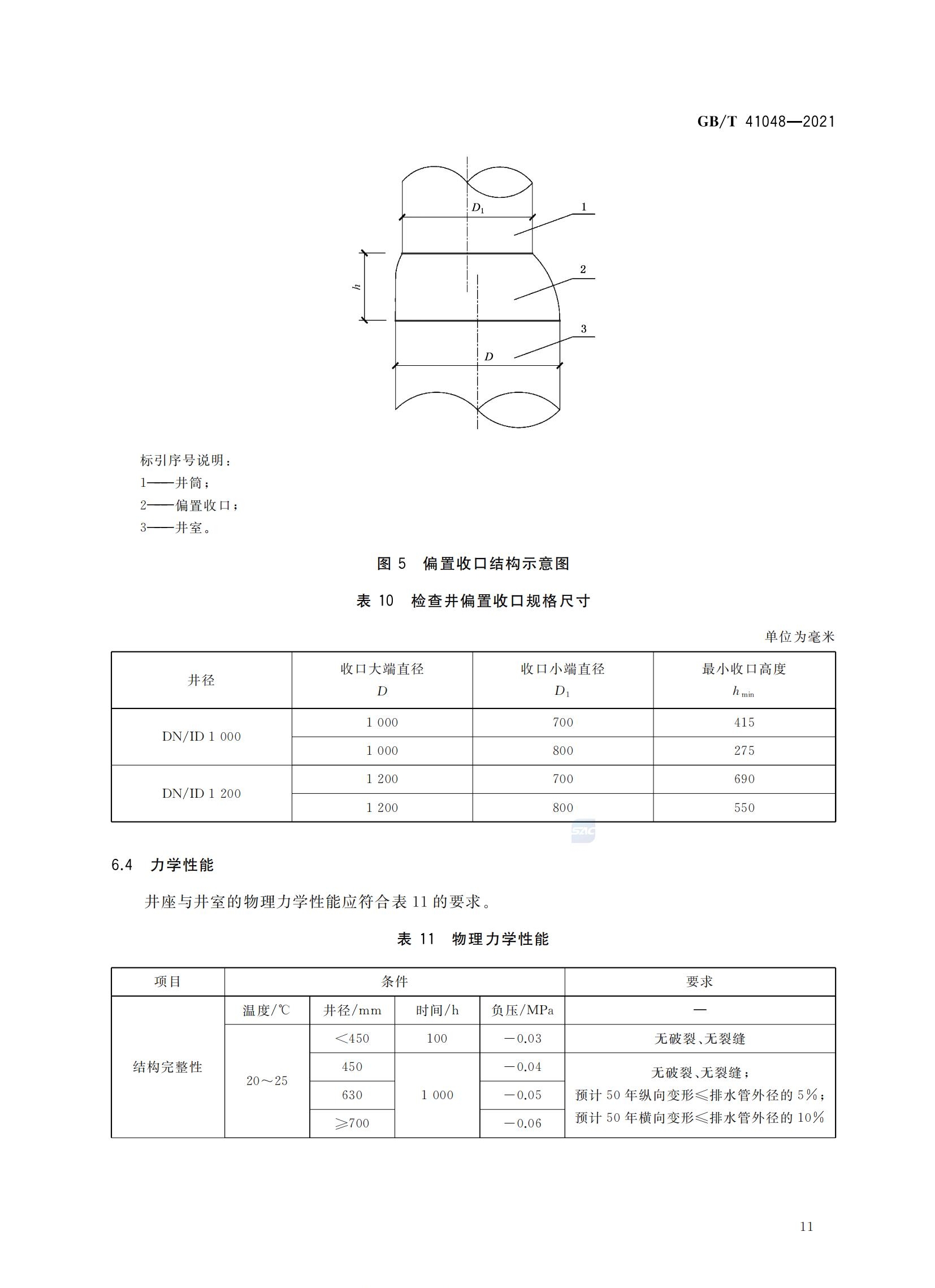
城镇排水用塑料检查井技术要求GB/T41048-2021
推荐产品
扫一扫关注我们
全国免费服务热线 028-86799038